熱線電話:0755-23712116
郵箱:contact@legoupos.cn
地址(zhi):深圳市寶(bao)安區沙(sha)井街道后亭(ting)茅洲(zhou)山工(gong)(gong)業園工(gong)(gong)業大廈全至科技創新(xin)園科創大廈2層(ceng)2A
產品介紹
千兆(zhao)以太網面(mian)陣(zhen)工(gong)(gong)業相(xiang)機(ji),它采用(yong)高性能的(de)感(gan)光芯片(pian),通過GigE數(shu)(shu)據接(jie)口進(jin)行圖像(xiang)數(shu)(shu)據的(de)傳輸(shu),可(ke)以和任何滿(man)足(zu)GigE Vision和GenICam標準的(de)應用(yong)開(kai)發工(gong)(gong)具(ju)兼容,最大1Gb/s的(de)傳輸(shu)速率(lv)(lv)可(ke)以滿(man)足(zu)大多數(shu)(shu)工(gong)(gong)業應用(yong)中(zhong)的(de)對(dui)傳輸(shu)速率(lv)(lv)的(de)要求(qiu),能穩(wen)定工(gong)(gong)作在各種惡劣的(de)環(huan)境中(zhong),是一款高可(ke)靠性、高性價比的(de)面(mian)陣(zhen)工(gong)(gong)業相(xiang)機(ji)。
產品特點
安裝簡單,操作方便,支(zhi)持:
? 千兆以(yi)太網接(jie)口(kou)最大傳輸距離(li)可(ke)到100m。
? 128MB板載緩存用于突發模式(shi)下數據傳輸(shu)或圖像(xiang)重傳。
? 支(zhi)持軟件(jian)觸發(fa)/硬(ying)件(jian)觸發(fa)/軟硬(ying)混(hun)合觸發(fa)/自由(you)運(yun)行等多(duo)種模式。
? 支(zhi)持銳度,降噪(zao),伽馬(ma)校(xiao)正,查找表,黑(hei)電(dian)平校(xiao)正,亮(liang)度,對比度等ISP功能。
? 彩(cai)色相(xiang)機(ji)支持插(cha)值,白平衡(heng),顏色轉(zhuan)換矩陣(zhen),色度,飽和度等。
? 支(zhi)持多種圖像(xiang)數(shu)據格式輸出,ROI,Bining,鏡像(xiang)等。
? 符合GigE VisionV2.0協議和GeniCam標準(zhun)。
? 支持(chi)PoE供(gong)電,DC12V供(gong)電。
? 符合(he)CE,FCC,UL,RoHS認(ren)證。
產品規格
光譜曲線
SY-GEM030M-300-G-H
SY-GEM120C-30-G-H
SY-GEM130M-90-G-H
SY-GEM500M-23-G-H
SY-GEM600M-17-R-H
SY-GEM1000M-11-R-H
SY-GEM1200M-9-R-H
SY-GEM2000M-6-R-H
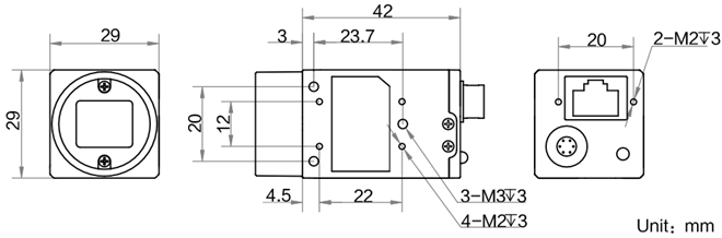
產品尺寸
產品應用
對位貼合
在貼合工藝生產過程中,對對位(wei)精度(du)(du)有著嚴格(ge)的(de)要求(qiu),精度(du)(du)不夠(gou)很(hen)容易會導致貼合失(shi)敗,從(cong)而使物料報(bao)廢。
雙翌CH系列工業面陣(zhen)相機,能(neng)夠憑借出色的成像質量輕(qing)松捕捉被檢測物的特征點,能(neng)夠在對(dui)位貼合領域(yu)大(da)顯身手。
半導體AOI高速檢測
半導體集(ji)成(cheng)電路檢測根據(ju)工藝可以(yi)分為前道(dao)檢測和后道(dao)檢測,涉及(ji)到薄膜檢測、缺陷(xian)檢測等,十分繁雜。
雙翌CH系(xi)列部分工業面陣相機(ji)曝光(guang)時間(jian)范圍覆蓋(gai)1us-10s,超(chao)短曝光(guang)模式適用于高(gao)速(su)飛拍檢(jian)測,能夠輕易(yi)地(di)應對半(ban)導(dao)體高(gao)速(su)檢(jian)測中的各(ge)類檢(jian)測環節。
熱線電話:0755-23712116
郵箱:contact@legoupos.cn
地址(zhi):深圳市寶(bao)安區沙(sha)井街道后亭(ting)茅洲(zhou)山工(gong)(gong)業園工(gong)(gong)業大廈全至科技創新(xin)園科創大廈2層(ceng)2A