熱線電話:0755-23712116
郵箱:contact@legoupos.cn
地址:深(shen)圳市寶安區沙井街道后(hou)亭茅洲山(shan)工業園工業大廈全至科(ke)技創(chuang)新(xin)園科(ke)創(chuang)大廈2層2A

電(dian)池(chi)作為需求量極大的產品,其質量高低在生(sheng)產環節中具有重要意義。手機電(dian)池(chi)、硅太陽能電(dian)池(chi)、電(dian)池(chi)極片等均(jun)有視覺(jue)檢測研究(jiu)文獻報道,但對扣式電(dian)池(chi)開展自動(dong)質量檢測的報道極少。
扣式電(dian)池體積小,外(wai)觀(guan)直徑(jing)一般不超過兩(liang)三厘米,在各種(zhong)電(dian)子產品特別是微小型產品中得到了(le)廣泛的應(ying)用(yong),如電(dian)子詞典(dian)、計(ji)算(suan)器、助聽(ting)器、電(dian)子手(shou)表、主(zhu)板等。
人(ren)工檢測電池不但效率低下,而且電池表面為(wei)金屬制(zhi)成,反光嚴重(zhong),長期的(de)人(ren)眼檢測有(you)損視(shi)力健(jian)康。因此機(ji)器視(shi)覺檢測技術的(de)研究,將有(you)助于電池制(zhi)造行業的(de)水平提高。
缺陷類型多樣
電(dian)池(chi)(chi)在生(sheng)產過程中(zhong),因生(sheng)產工藝(yi)不足或其他(ta)偶然因素會(hui)產生(sheng)一些次(ci)品,因此希(xi)望能夠研發一套電(dian)池(chi)(chi)質量檢測(ce)系統,能自(zi)動將(jiang)不合格電(dian)池(chi)(chi)檢出。
扣式電池質量檢(jian)測(ce)主要(yao)包括電量指標檢(jian)測(ce)和外觀缺陷檢(jian)測(ce)。
電(dian)量指標(biao)檢測可通過設計(ji)電(dian)子裝置,完(wan)成對電(dian)池電(dian)流電(dian)壓進行快速(su)檢測,判斷其電(dian)流電(dian)壓數值及(ji)充放電(dian)性能(neng)是(shi)否存(cun)在(zai)異常。
外(wai)觀(guan)缺陷(xian)檢測則復(fu)雜得(de)多,因電(dian)池具(ju)有(you)正(zheng)負兩極(ji),則外(wai)觀(guan)檢測分(fen)為正(zheng)極(ji)和負極(ji)兩方面。
正極外觀缺陷主要包括: 劃痕、 銹斑、凹點、光面等,另外包裝過程中,也會產生正負極顛倒、型號混(hun)淆(xiao)等錯裝事件。
正極面外觀合格與缺陷圖像
注:(a)為(wei)合格, (b)為(wei)劃傷, (c)為(wei)銹斑, (d)為(wei)凹坑, (e)為(wei)光(guang)面
負極(ji)外(wai)觀缺陷種類如下圖:
負極(ji)面外(wai)觀合格與缺陷圖(tu)像
注:(a)為合格, (b)為劃傷, (c)為銹斑
檢測難度節節攀升
扣式電(dian)池視覺檢測存在眾多難點,傳感器成像(xiang)和圖像(xiang)處理(li)均較為困難。
扣(kou)式(shi)電池(chi)外觀缺(que)陷種類繁多,主要包括:劃痕、銹斑、污臟、凹點、光(guang)面等,缺(que)陷尺寸多在毫米(mi)級(ji)。
與紡織(zhi)物品等(deng)缺陷檢測不同,扣式電池外(wai)表(biao)面為(wei)金屬制成,金屬表(biao)面在光源照射下反光嚴重(zhong)。
與傳統的(de)金屬鋼(gang)板等(deng)檢測不同,拇指大小的(de)扣式電池(chi)表面上還存(cun)有字符(fu)的(de)干擾,因此圖(tu)像傳感系統還要保證字符(fu)和缺陷均能夠盡(jin)量清晰(xi)成像。
且(qie)電池生產工藝受(shou)限,金(jin)屬表面難(nan)以保證絕對(dui)平整(zheng),微表面存在不(bu)平,又致(zhi)使漫反射嚴(yan)重;
同時表面字符刻制不夠標準(zhun),存在(zai)位置(zhi)偏移、 且(qie)深(shen)淺不一等現象,因此(ci)成像(xiang)后圖(tu)像(xiang)字符粗細和位置(zhi)將出現較大的變化(hua),這些給光路(lu)系統設計和圖(tu)像(xiang)處(chu)理帶來極大困難。
為提高(gao)檢測(ce)效率,生(sheng)產(chan)中通(tong)常會(hui)采(cai)用多(duo)點(dian)檢測(ce),在每個檢測(ce)點(dian)下(xia)實(shi)現多(duo)電池目標同時檢測(ce),因(yin)此光(guang)源難以保(bao)證均勻(yun)照(zhao)射于(yu)各電池表面(mian),給后續的處理帶來難度;
另外電池(chi)正極面的字符傾斜(xie)角度在(zai)圖像上呈現(xian)為隨機變化,圖像校正也成為研(yan)究中的難(nan)點。
機器視覺技術 擊破產品缺陷檢測難點
圖像采集:機器視覺檢測系統的第一步需要獲得待檢測目標的原始圖像。一般通過相機、光源等硬件搭建一套合理的視覺成像系統;當相機傳感器獲得原始成像信號后,需要通過專用圖像采集卡處理后完成數據轉換,計算機方可獲取圖像進行后續處理。
圖像處理:計算機對采集(ji)的(de)原始(shi)圖像進行處理,最大程度去除圖像中的(de)噪聲和無關(guan)背景,并增強圖像目標,從(cong)而獲得易于進一步分析和識別的(de)標準圖像。
圖像分析與特征提取:計算目標圖像的相關特征(zheng)量。
圖像識別:通過(guo)設計合理的模(mo)式識別(bie)程序,對特征量進行判別(bie),完成(cheng)視覺檢(jian)測。
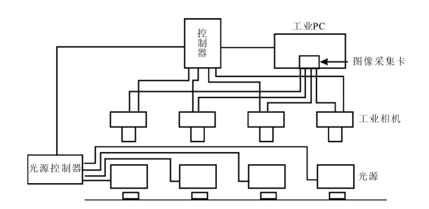
因電池具有正極面和(he)負極面,另外為了提(ti)高生產效率,系(xi)統總體(ti)應設計為分布式(shi)體(ti)系(xi)結(jie)構,以實(shi)現快(kuai)速并(bing)行(xing)檢測(ce)。
分布式檢(jian)測(ce)(ce)中的位點為視覺(jue)檢(jian)測(ce)(ce)各(ge)組成(cheng)單(dan)元。機(ji)器視覺(jue)模塊(kuai)包括工(gong)(gong)業(ye)(ye)相(xiang)(xiang)機(ji)、鏡頭(tou)、光源、光源控制(zhi)器等元件,在(zai)光源照明(ming)下,待(dai)測(ce)(ce)物(wu)體反射(she)光路通(tong)過(guo)鏡頭(tou)聚焦,在(zai)工(gong)(gong)業(ye)(ye)相(xiang)(xiang)機(ji)上完成(cheng)成(cheng)像;原始圖(tu)像信號經(jing)過(guo)數(shu)據(ju)線(xian)傳(chuan)輸,在(zai)圖(tu)像采(cai)集卡處(chu)理后由(you)工(gong)(gong)業(ye)(ye) PC 機(ji)獲得;控制(zhi)器對工(gong)(gong)業(ye)(ye)相(xiang)(xiang)機(ji)實施采(cai)集控制(zhi),從而實現自動觸發。
智(zhi)能化(hua)(hua)、自動化(hua)(hua)、數字化(hua)(hua)、信息化(hua)(hua)是(shi)未來制(zhi)造(zao)業的發(fa)展大趨(qu)勢,矩視(shi)智(zhi)能致力于制(zhi)造(zao)業工(gong)廠企業智(zhi)能改造(zao),數字化(hua)(hua)升(sheng)級。
深圳市雙翌光電科技有限公司是一家以機器視覺為技術核心,自主技術研究與應用拓展為導向的高科技企業。公司自成立以來不斷創新,在智能自動化領域研發出視覺對位系統、機械手視覺定位、視覺檢測、圖像處理庫等為核心的20多款自主知識產權產品。涉及自動貼合機、絲印機、曝光機、疊片機、貼片機、智能檢測、智能鐳射等眾多行業領域。雙翌視覺系統最高生產精度可達um級別,圖像處理精準、速度快,將智能自動化制造行業的生產水平提升到一個更高的層次,改進了以往落后的生產流程,得到廣大用戶的認可與肯定。隨著智能自動化生產的普及與發展,雙翌將為廣大生產行業帶來更全面、更精細、更智能化的技術及服務。